欢迎光临无锡雪湖特种仪表科技有限公司网站,您身边的耐震压力表行业领导者!
无锡雪湖特种仪表科技有限公司
联系人:薛先生
电话:0510-85190770
手机:13601487842
传真:0510-85190375
网址:www.xh-yb.com
邮箱:xzxxhyb@126.com
|
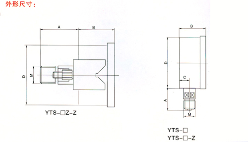
YTS-系列耐酸不锈钢压力表(YN-series of seismic pressure gauges) | ||||||||||||||||||||||||||||||||||||||
| ||||||||||||||||||||||||||||||||||||||
| ||||||||||||||||||||||||||||||||||||||
| ||||||||||||||||||||||||||||||||||||||
无锡雪湖特种仪表科技有限公司
地址:无锡市滨湖区蠡湖大道2008号中邦商务园6号
公司电话:0510-85190375 传真:0510-85190375
网址:www.xh-yb.com 备案号:苏ICP备05072107号-1
关键词优化: 优仕德